Основные технические данные
| Наименование | Значение |
|---|---|
| Номинальное напряжение, В | 6.3…450 |
| Номинальная ёмкость, мкФ | 3.3…10 000 |
| Допускаемое отклонение ёмкости (25°C, 50 Гц), % | +50 -20; ±20 |
| Кратковременное перенапряжение в течение 10с, В | 1.15 Uном (Uном=6.3…315) 1.1 Uном (Uном=350,400,450) |
| Повышенная температура среды Tокр, максимальное значение при эксплуатации, °С | +100 |
| Пониженная температура среды Tокр, минимальное значение при эксплуатации, °С | -60 |
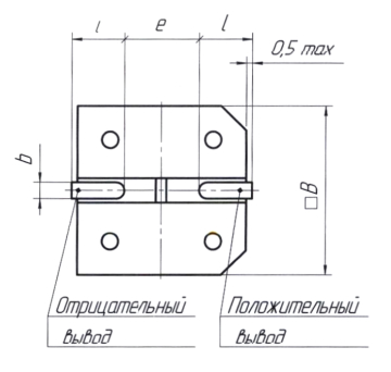
Внешний вид конденсаторов
1 — Отрицательный вывод
2 — Положительный вывод
2 — Положительный вывод
Номиналы конденсатора
| Uном, В | 6.3 | 10 | 16 | 25 | 40 | 63 | 100 | 160 | 250 | 315 | 350 | 400 | 450 |
|---|---|---|---|---|---|---|---|---|---|---|---|---|---|
| Cном, мкФ | |||||||||||||
| 3.3 | ✓ | ✓ | ✓ | ||||||||||
| 4.7 | ✓ | ✓ | ✓ | ✓ | |||||||||
| 10 | ✓ | ✓ | ✓ | ✓ | ✓ | ||||||||
| 22 | ✓ | ✓ | ✓ | ✓ | ✓ | ✓ | |||||||
| 33 | ✓ | ✓ | ✓ | ✓ | ✓ | ✓ | |||||||
| 47 | ✓ | ✓ | ✓ | ||||||||||
| 100 | ✓ | ✓ | |||||||||||
| 220 | ✓ | ✓ | |||||||||||
| 330 | ✓ | ✓ | ✓ | ||||||||||
| 470 | ✓ | ✓ | ✓ | ||||||||||
| 1 000 | ✓ | ✓ | ✓ | ✓ | |||||||||
| 2 200 | ✓ | ✓ | ✓ | ✓ | ✓ | ||||||||
| 3 300 | ✓ | ✓ | ✓ | ✓ | |||||||||
| 4 700 | ✓ | ✓ | ✓ | ||||||||||
| 10 000 | ✓ | ||||||||||||
Надёжность конденсаторов
| Безотказность | Наработка tλ,ч, не менее | Интенсивность отказов конденсаторов, λ, 1/ч, не более |
|---|---|---|
| Предельно-допустимый режим (Uном, Tокр=100°С) | 2 000 | 1x10-4 |
| Типовой режим (0.7Uном, Tокр=85°С) | 4 000 | 5x10-4 |
| Типовой режим (0.7Uном, Tокр=55°С) | 30 000 | 5x10-5 |
| Сохраняемость Гамма-процентный срок сохраняемости конденсаторов Tcy при y=95%, лет, не менее | 20 | |
Значения электрических параметров конденсаторов при поставке
| Uном, В | Cном, мкФ | tg δ, % | Iут, мкА | Z*, Ом, 25°C | Rэкв, Ом, 25°C, 100Гц | Iном, мА, 100°C, 50 Гц |
|---|---|---|---|---|---|---|
| 6.3 | 2 200 | 45 | 139 | 1.10 | 1.20 | 384 |
| 6.3 | 3 300 | 45 | 208 | 0.96 | 0.98 | 385 |
| 6.3 | 4 700 | 45 | 297 | 0.93 | 0.94 | 400 |
| 6.3 | 10 000 | 45 | 630 | 0.88 | 0.90 | 546 |
| 10 | 1 000 | 35 | 100 | 1.40 | 1.50 | 298 |
| 10 | 2 200 | 35 | 220 | 1.10 | 1.20 | 385 |
| 10 | 3 300 | 35 | 330 | 0.98 | 1.00 | 535 |
| 10 | 4 700 | 35 | 470 | 0.87 | 0.90 | 630 |
| 16 | 1 000 | 25 | 160 | 1.50 | 1.60 | 315 |
| 16 | 2 200 | 25 | 352 | 1.10 | 1.30 | 500 |
| 16 | 3 300 | 25 | 528 | 0.98 | 1.10 | 630 |
| 16 | 4 700 | 25 | 752 | 0.80 | 0.98 | 721 |
| 25 | 470 | 20 | 118 | 1.90 | 2.00 | 298 |
| 25 | 1 000 | 20 | 250 | 1.75 | 1.80 | 385 |
| 25 | 2 200 | 20 | 550 | 1.44 | 1.50 | 630 |
| 25 | 3 300 | 20 | 825 | 0.90 | 1.10 | 721 |
| 40 | 330 | 15 | 132 | 5.30 | 5.50 | 298 |
| 40 | 470 | 15 | 188 | 4.80 | 5.00 | 385 |
| 40 | 1 000 | 15 | 400 | 4.70 | 4.80 | 735 |
| 40 | 2 200 | 15 | 880 | 3.80 | 4.50 | 432 |
| 63 | 100 | 15 | 63 | 5.40 | 5.60 | 140 |
| 63 | 220 | 15 | 139 | 5.30 | 5.50 | 280 |
| 63 | 330 | 15 | 208 | 4.95 | 5.00 | 346 |
| 63 | 470 | 15 | 296 | 4.77 | 4.80 | 494 |
| 100 | 33 | 15 | 33 | 14.00 | 15.00 | 70 |
| 100 | 47 | 15 | 47 | 11.80 | 12.50 | 135 |
| 100 | 100 | 15 | 300 | 10.40 | 11.00 | 179 |
| 100 | 220 | 15 | 220 | 9.80 | 10.80 | 250 |
| 100 | 330 | 15 | 330 | 8.80 | 10.50 | 321 |
| 160 | 22 | 20 | 95 | 18.50 | 20.00 | 59 |
| 160 | 33 | 20 | 131 | 17.00 | 18.00 | 72 |
| 160 | 47 | 20 | 301 | 14.00 | 16.00 | 86 |
| 250 | 10 | 25 | 75 | 23.00 | 25.00 | 34 |
| 250 | 22 | 25 | 135 | 22.50 | 23.00 | 59 |
| 250 | 33 | 25 | 330 | 20.80 | 22.00 | 74 |
| 250 | 47 | 25 | 260 | 18.70 | 20.00 | 95 |
| 315 | 4.7 | 15 | 60 | 48.00 | 50.00 | 23 |
| 315 | 10 | 15 | 126 | 35.00 | 38.00 | 31 |
| 315 | 22 | 15 | 278 | 34.00 | 36.00 | 42 |
| 315 | 33 | 15 | 416 | 31.00 | 35.00 | 68 |
| 350 | 3.3 | 15 | 47 | 68.00 | 70.00 | 21 |
| 350 | 4.7 | 15 | 66 | 63.00 | 65.00 | 22 |
| 350 | 10 | 15 | 140 | 59.00 | 61.00 | 30 |
| 350 | 22 | 15 | 308 | 57.00 | 58.80 | 43 |
| 350 | 33 | 15 | 462 | 50.00 | 54.40 | 71 |
| 400 | 3.3 | 25 | 51 | 84.00 | 90.00 | 19 |
| 400 | 4.7 | 25 | 63 | 79.00 | 85.00 | 20 |
| 400 | 10 | 25 | 105 | 68.00 | 70.00 | 30 |
| 400 | 22 | 25 | 201 | 48.80 | 50.00 | 60 |
| 400 | 33 | 25 | 528 | 46.00 | 48.80 | 75 |
| 450 | 3.3 | 25 | 59 | 100.00 | 120.00 | 22 |
| 450 | 4.7 | 25 | 85 | 90.00 | 110.00 | 23 |
| 450 | 10 | 25 | 180 | 80.00 | 88.00 | 30 |
| 450 | 22 | 25 | 396 | 30.00 | 55.00 | 56 |
*
Измерение полного сопротивления конденсаторов Z проводится на частоте 100 кГц для конденсаторов Cном ≤ 1 000 мкФ, и на чаcтоте 10 кГц для конденсаторов Cном > 1 000 мкФ.
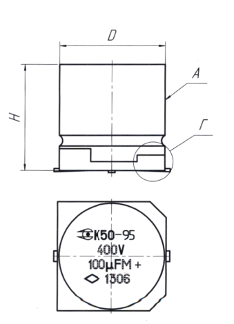
Габаритные размеры и масса конденсаторов
| Uном, В | Cном, мкФ | Размеры, мм | Масса, г, не более | |||||||||||
|---|---|---|---|---|---|---|---|---|---|---|---|---|---|---|
| D | H | L=W | l | b | e | |||||||||
| Номин. | Пред. откл. | Номин. | Пред. откл. | Номин. | Пред. откл. | Номин. | Пред. откл. | Номин. | Пред. откл. | Номин. | Пред. откл. | |||
| 6.3 | 2 200 | 12.5 | ±0.5 | 13.5 | ±0.5 | 13.6 | ±0.2 | 5.0 | ±0.3 | 1.2 | ±0.2 | 4.0 | ±0.5 | 11.24 |
| 6.3 | 3 300 | 12.5 | ±0.5 | 13.5 | ±0.5 | 13.6 | ±0.2 | 5.0 | ±0.3 | 1.2 | ±0.2 | 4.0 | ±0.5 | 11.24 |
| 6.3 | 4 700 | 16.0 | ±0.5 | 16.5 | ±0.5 | 17.1 | ±0.2 | 5.6 | ±0.3 | 1.2 | ±0.2 | 6.3 | ±0.5 | 13.56 |
| 6.3 | 10 000 | 18.0 | ±0.5 | 16.5 | ±0.5 | 19.1 | ±0.2 | 6.6 | ±0.3 | 1.2 | ±0.2 | 6.3 | ±0.5 | 14.47 |
| 10 | 1 000 | 10.0 | ±0.5 | 10.0 | ±0.5 | 10.3 | ±0.2 | 3.4 | ±0.3 | 0.8 | +0.3 -0.1 | 4.0 | ±0.5 | 10.46 |
| 10 | 2 200 | 12.5 | ±0.5 | 13.5 | ±0.5 | 13.6 | ±0.2 | 5.0 | ±0.3 | 1.2 | ±0.2 | 4.0 | ±0.5 | 11.24 |
| 10 | 3 300 | 16.0 | ±0.5 | 16.5 | ±0.5 | 17.1 | ±0.2 | 5.6 | ±0.3 | 1.2 | ±0.2 | 6.3 | ±0.5 | 13.56 |
| 10 | 4 700 | 16.0 | ±0.5 | 16.5 | ±0.5 | 17.1 | ±0.2 | 5.6 | ±0.3 | 1.2 | ±0.2 | 6.3 | ±0.5 | 13.56 |
| 16 | 1 000 | 12.5 | ±0.5 | 13.5 | ±0.5 | 13.6 | ±0.2 | 5.0 | ±0.3 | 1.2 | ±0.2 | 4.0 | ±0.5 | 11.24 |
| 16 | 2 200 | 16.0 | ±0.5 | 16.5 | ±0.5 | 17.1 | ±0.2 | 5.6 | ±0.3 | 1.2 | ±0.2 | 6.3 | ±0.5 | 13.56 |
| 16 | 3 300 | 16.0 | ±0.5 | 16.5 | ±0.5 | 17.1 | ±0.2 | 5.6 | ±0.3 | 1.2 | ±0.2 | 6.3 | ±0.5 | 13.56 |
| 16 | 4 700 | 18.0 | ±0.5 | 16.5 | ±0.5 | 19.1 | ±0.2 | 6.6 | ±0.3 | 1.2 | ±0.2 | 6.3 | ±0.5 | 14.47 |
| 25 | 470 | 10.0 | ±0.5 | 10.0 | ±0.5 | 10.3 | ±0.2 | 3.4 | ±0.3 | 0.8 | +0.3 -0.1 | 4.0 | ±0.5 | 10.46 |
| 25 | 1 000 | 12.5 | ±0.5 | 13.5 | ±0.5 | 13.6 | ±0.2 | 5.0 | ±0.3 | 1.2 | ±0.2 | 4.0 | ±0.5 | 11.24 |
| 25 | 2 200 | 16.0 | ±0.5 | 16.5 | ±0.5 | 17.1 | ±0.2 | 5.6 | ±0.3 | 1.2 | ±0.2 | 6.3 | ±0.5 | 13.56 |
| 25 | 3 300 | 18.0 | ±0.5 | 16.5 | ±0.5 | 19.1 | ±0.2 | 6.6 | ±0.3 | 1.2 | ±0.2 | 6.3 | ±0.5 | 14.47 |
| 40 | 330 | 10.0 | ±0.5 | 10.0 | ±0.5 | 10.3 | ±0.2 | 3.4 | ±0.3 | 0.8 | +0.3 -0.1 | 4.0 | ±0.5 | 10.46 |
| 40 | 470 | 12.5 | ±0.5 | 13.5 | ±0.5 | 13.6 | ±0.2 | 5.0 | ±0.3 | 1.2 | ±0.2 | 4.0 | ±0.5 | 11.24 |
| 40 | 1 000 | 16.0 | ±0.5 | 16.5 | ±0.5 | 17.1 | ±0.2 | 5.6 | ±0.3 | 1.2 | ±0.2 | 6.3 | ±0.5 | 13.56 |
| 40 | 2 200 | 18.0 | ±0.5 | 16.5 | ±0.5 | 19.1 | ±0.2 | 6.6 | ±0.3 | 1.2 | ±0.2 | 6.3 | ±0.5 | 14.47 |
| 63 | 100 | 10.0 | ±0.5 | 10.0 | ±0.5 | 10.3 | ±0.2 | 3.4 | ±0.3 | 0.8 | +0.3 -0.1 | 4.0 | ±0.5 | 10.46 |
| 63 | 220 | 12.5 | ±0.5 | 13.5 | ±0.5 | 13.6 | ±0.2 | 5.0 | ±0.3 | 1.2 | ±0.2 | 4.0 | ±0.5 | 11.24 |
| 63 | 330 | 12.5 | ±0.5 | 16.0 | ±0.5 | 13.6 | ±0.2 | 5.0 | ±0.3 | 1.2 | ±0.2 | 4.0 | ±0.5 | 11.98 |
| 63 | 470 | 16.0 | ±0.5 | 16.5 | ±0.5 | 17.1 | ±0.2 | 5.6 | ±0.3 | 1.2 | ±0.2 | 6.3 | ±0.5 | 13.56 |
| 100 | 33 | 10.0 | ±0.5 | 10.0 | ±0.5 | 10.3 | ±0.2 | 3.4 | ±0.3 | 0.8 | +0.3 -0.1 | 4.0 | ±0.5 | 10.46 |
| 100 | 47 | 10.0 | ±0.5 | 10.0 | ±0.5 | 10.3 | ±0.2 | 3.4 | ±0.3 | 0.8 | +0.3 -0.1 | 4.0 | ±0.5 | 10.46 |
| 100 | 100 | 12.5 | ±0.5 | 13.5 | ±0.5 | 13.6 | ±0.2 | 5.0 | ±0.3 | 1.2 | ±0.2 | 4.0 | ±0.5 | 11.24 |
| 100 | 220 | 16.0 | ±0.5 | 16.5 | ±0.5 | 17.1 | ±0.2 | 5.6 | ±0.3 | 1.2 | ±0.2 | 6.3 | ±0.5 | 13.56 |
| 100 | 330 | 18.0 | ±0.5 | 16.5 | ±0.5 | 19.1 | ±0.2 | 6.6 | ±0.3 | 1.2 | ±0.2 | 6.3 | ±0.5 | 14.47 |
| 160 | 22 | 12.5 | ±0.5 | 13.5 | ±0.5 | 13.6 | ±0.2 | 5.0 | ±0.3 | 1.2 | ±0.2 | 4.0 | ±0.5 | 11.24 |
| 160 | 33 | 12.5 | ±0.5 | 13.5 | ±0.5 | 13.6 | ±0.2 | 5.0 | ±0.3 | 1.2 | ±0.2 | 4.0 | ±0.5 | 11.24 |
| 160 | 47 | 12.5 | ±0.5 | 16.0 | ±0.5 | 13.6 | ±0.2 | 5.0 | ±0.3 | 1.2 | ±0.2 | 4.0 | ±0.5 | 11.98 |
| 250 | 10 | 10.0 | ±0.5 | 10.0 | ±0.5 | 10.3 | ±0.2 | 3.4 | ±0.3 | 0.8 | +0.3 -0.1 | 4.0 | ±0.5 | 10.46 |
| 250 | 22 | 12.5 | ±0.5 | 13.5 | ±0.5 | 13.6 | ±0.2 | 5.0 | ±0.3 | 1.2 | ±0.2 | 4.0 | ±0.5 | 11.24 |
| 250 | 33 | 12.5 | ±0.5 | 16.0 | ±0.5 | 13.6 | ±0.2 | 5.0 | ±0.3 | 1.2 | ±0.2 | 4.0 | ±0.5 | 11.98 |
| 250 | 47 | 16.0 | ±0.5 | 16.5 | ±0.5 | 17.1 | ±0.2 | 5.6 | ±0.3 | 1.2 | ±0.2 | 6.3 | ±0.5 | 13.56 |
| 315 | 4.7 | 10.0 | ±0.5 | 10.0 | ±0.5 | 10.3 | ±0.2 | 3.4 | ±0.3 | 0.8 | +0.3 -0.1 | 4.0 | ±0.5 | 10.46 |
| 315 | 10 | 12.5 | ±0.5 | 13.5 | ±0.5 | 13.6 | ±0.2 | 5.0 | ±0.3 | 1.2 | ±0.2 | 4.0 | ±0.5 | 11.24 |
| 315 | 22 | 12.5 | ±0.5 | 16.0 | ±0.5 | 13.6 | ±0.2 | 5.0 | ±0.3 | 1.2 | ±0.2 | 4.0 | ±0.5 | 11.98 |
| 315 | 33 | 16.0 | ±0.5 | 16.5 | ±0.5 | 17.1 | ±0.2 | 5.6 | ±0.3 | 1.2 | ±0.2 | 6.3 | ±0.5 | 13.56 |
| 350 | 3.3 | 10.0 | ±0.5 | 10.0 | ±0.5 | 10.3 | ±0.2 | 3.4 | ±0.3 | 0.8 | +0.3 -0.1 | 4.0 | ±0.5 | 10.46 |
| 350 | 4.7 | 10.0 | ±0.5 | 10.0 | ±0.5 | 10.3 | ±0.2 | 3.4 | ±0.3 | 0.8 | +0.3 -0.1 | 4.0 | ±0.5 | 10.46 |
| 350 | 10 | 12.5 | ±0.5 | 13.5 | ±0.5 | 13.6 | ±0.2 | 5.0 | ±0.3 | 1.2 | ±0.2 | 4.0 | ±0.5 | 11.24 |
| 350 | 22 | 12.5 | ±0.5 | 16.0 | ±0.5 | 13.6 | ±0.2 | 5.0 | ±0.3 | 1.2 | ±0.2 | 4.0 | ±0.5 | 11.98 |
| 350 | 33 | 16.0 | ±0.5 | 16.5 | ±0.5 | 17.1 | ±0.2 | 5.6 | ±0.3 | 1.2 | ±0.2 | 6.3 | ±0.5 | 13.56 |
| 400 | 3.3 | 10.0 | ±0.5 | 10.0 | ±0.5 | 10.3 | ±0.2 | 3.4 | ±0.3 | 0.8 | +0.3 -0.1 | 4.0 | ±0.5 | 10.46 |
| 400 | 4.7 | 10.0 | ±0.5 | 10.0 | ±0.5 | 10.3 | ±0.2 | 3.4 | ±0.3 | 0.8 | +0.3 -0.1 | 4.0 | ±0.5 | 10.46 |
| 400 | 10 | 12.5 | ±0.5 | 13.5 | ±0.5 | 13.6 | ±0.2 | 5.0 | ±0.3 | 1.2 | ±0.2 | 4.0 | ±0.5 | 11.24 |
| 400 | 22 | 16.0 | ±0.5 | 16.5 | ±0.5 | 17.1 | ±0.2 | 5.6 | ±0.3 | 1.2 | ±0.2 | 6.3 | ±0.5 | 13.56 |
| 400 | 33 | 16.0 | ±0.5 | 16.5 | ±0.5 | 17.1 | ±0.2 | 5.6 | ±0.3 | 1.2 | ±0.2 | 6.3 | ±0.5 | 13.56 |
| 450 | 3.3 | 12.5 | ±0.5 | 13.5 | ±0.5 | 13.6 | ±0.2 | 5.0 | ±0.3 | 1.2 | ±0.2 | 4.0 | ±0.5 | 11.24 |
| 450 | 4.7 | 12.5 | ±0.5 | 13.5 | ±0.5 | 13.6 | ±0.2 | 5.0 | ±0.3 | 1.2 | ±0.2 | 4.0 | ±0.5 | 11.24 |
| 450 | 10 | 12.5 | ±0.5 | 16.0 | ±0.5 | 13.6 | ±0.2 | 5.0 | ±0.3 | 1.2 | ±0.2 | 4.0 | ±0.5 | 11.98 |
| 450 | 22 | 16.0 | ±0.5 | 16.5 | ±0.5 | 17.1 | ±0.2 | 5.6 | ±0.3 | 1.2 | ±0.2 | 6.3 | ±0.5 | 13.56 |
Допустимое значение номинального пульсирующего тока в зависимости от температуры и частоты вычисляют по формуле:
I = Iном × KT × KF ,
где Iном — допустимое значение номинального пульсирующего тока при температуре 100°C на частоте 50 Гц (см. таблицу «Значения электрических параметров конденсаторов»)
I = Iном × KT × KF ,
где Iном — допустимое значение номинального пульсирующего тока при температуре 100°C на частоте 50 Гц (см. таблицу «Значения электрических параметров конденсаторов»)
KT - коэффициент коррекции Iном в зависимости от температуры
| Tокр, °C | 25 | 40 | 50 | 60 | 70 | 85 | 100 |
|---|---|---|---|---|---|---|---|
| KT | 2.1 | 2.04 | 1.98 | 1.9 | 1.73 | 1.5 | 1.0 |
KF - коэффициент коррекции Iном в зависимости от частоты
| F, Гц | 50 | 100 | 300 | 600 | 1 000 | 10 000 | ≥50 000 |
|---|---|---|---|---|---|---|---|
| KF | 1.0 | 1.25 | 1.5 | 1.63 | 1.69 | 1.88 | 2.0 |